释放双眼,带上耳机,听听看~!
感谢来自群友@宋 先生的投稿,泵的水力图是设计核心,能够体现出泵的性能是否优良,且水力图决定了泵的加工,所以在历史的长河中我们也并不是每一台泵都需要单独去设计水力,所以在前人工作的基础上总结出了一系列型谱,所以做泵之前首先要选择合适的型谱然后根据需要的参数挑选合适的水力模型,这个过程称之为选型。
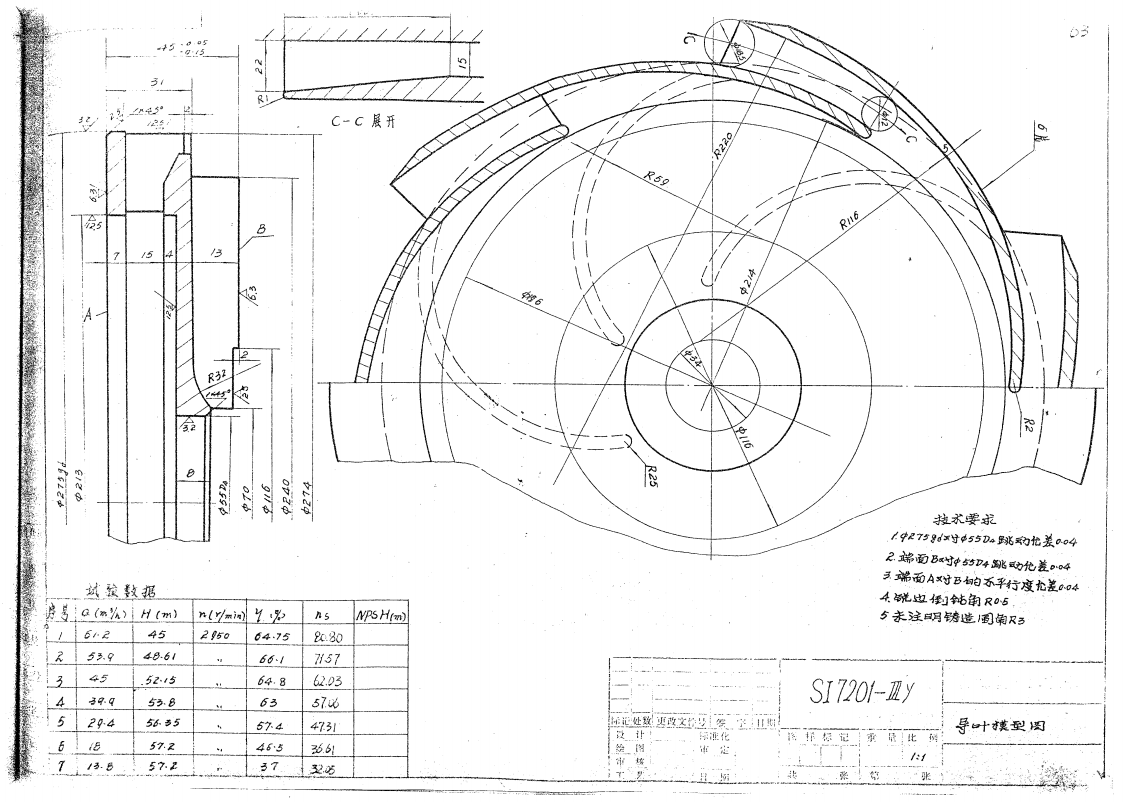
今天收集的这套水力图包括了叶轮、蜗壳、导叶、诱导轮等,比较完善了。
一、型谱简介
型谱名称:全国泵水力模型汇编 作者:暂未可知 格式:PDF 大小:12M

二、目录

三、精彩部分摘录






四、使用场景
对于初学者来讲,有了这套水力图我们可以学习如何在二维图的基础上进行三维模型的创建,对于其他人来讲呢自然是可以在设计过程中借鉴优秀的水力模型喽!
五、下载地址
下滑下载!

免责声明
泵小丫收集资源均来自网络
仅用于内部交流之用,如有需要请支持正版
声明:本站所有文章,如无特殊说明或标注,均为本站原创发布。任何个人或组织,在未征得本站同意时,禁止复制、盗用、采集、发布本站内容到任何网站、书籍等各类媒体平台。如若本站内容侵犯了原著者的合法权益,可联系我们进行处理,邮箱admin@7b3.cn。





请楼主提示
如何下载呀
目测这个资料对赞助商开放下载,看不到升级账号的提示吗?😂
好
文章不错
加油 想下载 怎么能下载
?丫总这个链接还是没用
链接已补?
?
??
???