释放双眼,带上耳机,听听看~!
本系列视频教程将会陆续从实体建模出发,包括单级单吸、单级双吸、双蜗壳、多级泵等,第一期为简单一些的单级单吸悬臂式离心泵,主要建模部件包括叶轮水体、叶轮实体、压水室水体、泵体实体、泵盖!

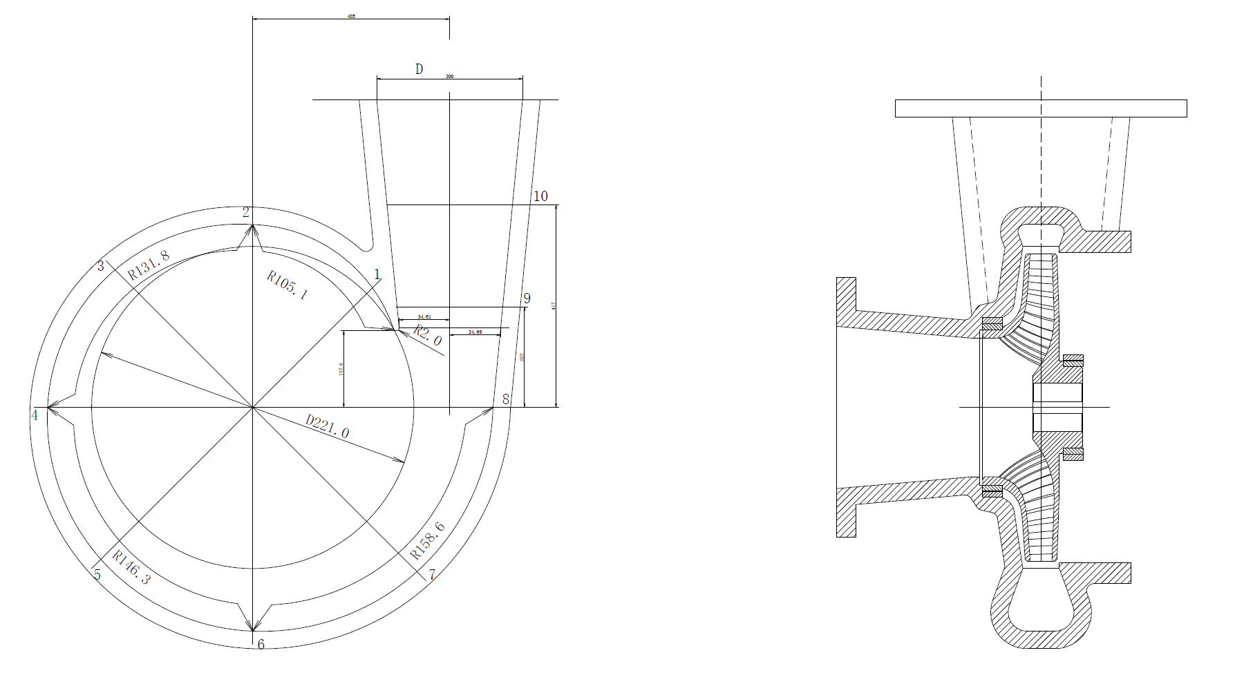
因为没有找到合适的基体,所以自己粗略设计了一个小泵,参数如下:
Q=100m³/h H=50m n=2900rpm 叶片数:6 叶轮外径:211mm 出口宽度b2:15mm

(这里泵盖还没设计,下期包括叶轮和泵盖)
建模软件采用的还是我比较熟悉的CREO,8.0版本在界面上非常友好,推荐给各位!
首先完成了水体的建模,这个隔舍得处理已经有2篇专门的推文介绍,感兴趣的可以点击下方文档链接查看:

水体完成后再根据加工图的尺寸完成外壳的建模!

本次采用的蜗壳形式为侧出,如果是中心出口的话和这个步骤也是一样的!
源文件下载
下滑可在附件中下载!

免责声明
泵小丫收集资源均来自网络
仅用于内部交流之用,如有需要请支持正版
声明:本站所有文章,如无特殊说明或标注,均为本站原创发布。任何个人或组织,在未征得本站同意时,禁止复制、盗用、采集、发布本站内容到任何网站、书籍等各类媒体平台。如若本站内容侵犯了原著者的合法权益,可联系我们进行处理,邮箱admin@7b3.cn。
暂无讨论,说说你的看法吧





