释放双眼,带上耳机,听听看~!
今天给一个小哥做逆向优化设计的时候,叶轮毋庸置疑叶片是必须要捕捉的核心特征,那么对于已有的蜗壳壳体或者水体我们能直接做逆向吗?不行,目前CFturbo还没有这个功能,所以我们只能通过特征参数来正向设计。
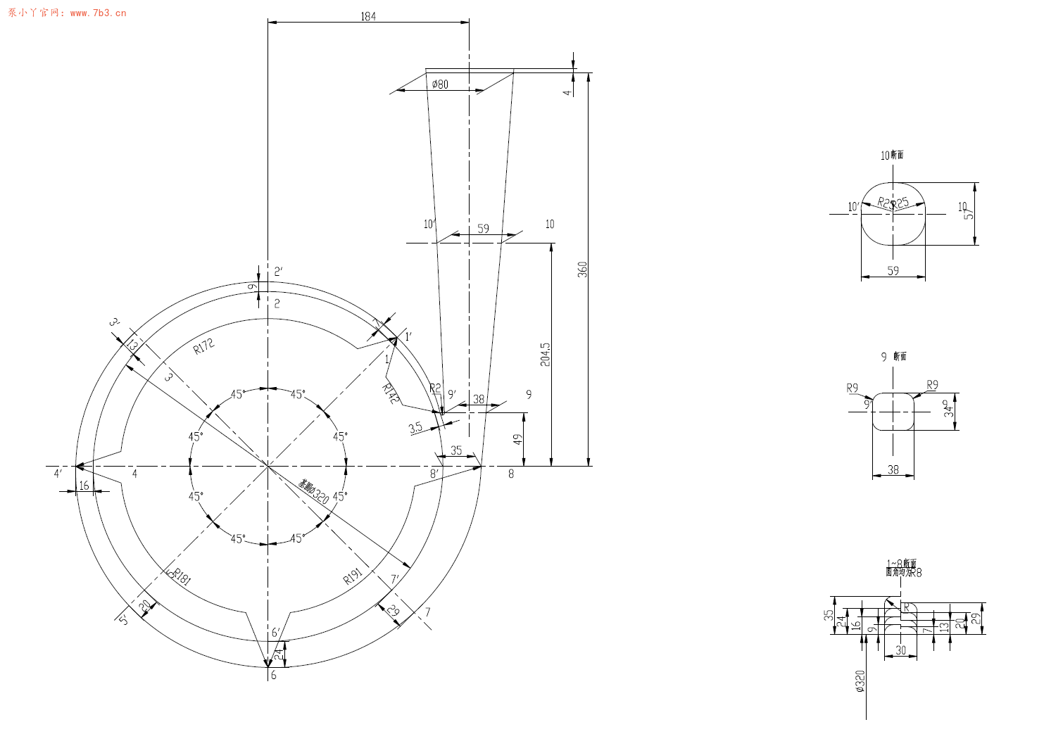
蜗壳的水力图中涉及到以下几个要点:
1.蜗壳基圆直径D
2.蜗壳进口宽度b
3.蜗壳喉部面积A
4.蜗壳隔舍安放角
5.蜗壳出口直径D2
6.蜗壳出口高度H
只要是获取了以上这些参数,我们就可以利用CFturbo快速建模,以实现现有蜗壳的逆向建模。
以下图为例:

蜗壳基圆直径为320、蜗壳进口宽度为30,那么在CFturbo中就可以定义如下:

蜗壳断面形状为矩形,可以选择的类型就很多了,贝塞尔曲线或者Radius Based或Line Segments:

接下来是最主要的,面积定义:

然后是出口段的定义:

最后是隔舍的设计:

以上就是简单的蜗壳逆向流程了。
声明:本站所有文章,如无特殊说明或标注,均为本站原创发布。任何个人或组织,在未征得本站同意时,禁止复制、盗用、采集、发布本站内容到任何网站、书籍等各类媒体平台。如若本站内容侵犯了原著者的合法权益,可联系我们进行处理,邮箱admin@7b3.cn。






怎么控制断面面积变化呢,自动生成的太不准了
很好,感谢分享😎