释放双眼,带上耳机,听听看~!
趁着中秋节的机会,完成了单级双吸水平中开泵(BB1)的建模专题视频教程,视频总长:220分钟!需耗费流量:1.2GB。包含有声及字母讲解,为本站第五个付费视频教程!内容包括了3部分:
- 压水室及其壳体建模
- 吸水室及其壳体建模
- 泵体及泵盖建模
因为轴系零件多为旋转体,较为简单,所以不在本次专题计划之列,另外本次教程重点是讲解建模思路及过程,对于其中部分细节诸如泵体与轴承箱连接处作了简化处理。
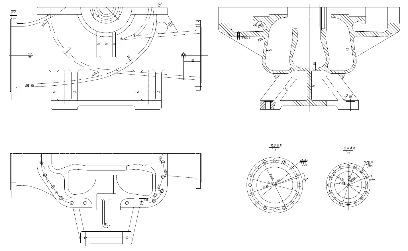
泵体设计图(类似)

泵盖设计图(类似)

吸水室及压水室水力图(参考)

通常BB1的水力图是叠加在一起的,可以明确看到吸水室与压水室外壳之间的相贯线。
以上图纸仅作参考之用,并无实际工程价值!
本次教程采用国产三维建模软件中望3D完成,后续咱们的大部分建模教程都将以此软件为准,所以也极力推荐大家尝试使用这款软件,并不比CREO和Solidworks差,功能基本一致,名字叫法不同,更适合国人操作习惯而已!


以上为建模中间过程以及建模完成后最终的模型展示,适合正在学习BB1型单级双吸水平中开式离心泵结构建模,对水力图、结构图中一些参数、尺寸理解能够有所帮助!
具体的视频教程请查看文章顶部的视频即可。如需视频中的案例源文件可联系小丫,联系方式如下:
微信:pump7b3
邮箱:admin@7b3.cn
另外网站目前有3个关于旋转机械的交流群,如需进群也可通过以上方式联系我邀请进群!
另外关于BB2泵型(单级双吸径向剖分式)离心泵的建模视频教程网站也已更新,可点击下方文档链接跳转:

免责声明
泵小丫收集资源均来自网络
仅用于内部交流之用,如有需要请支持正版
声明:本站所有文章,如无特殊说明或标注,均为本站原创发布。任何个人或组织,在未征得本站同意时,禁止复制、盗用、采集、发布本站内容到任何网站、书籍等各类媒体平台。如若本站内容侵犯了原著者的合法权益,可联系我们进行处理,邮箱admin@7b3.cn。
啥也不会给作者打赏了¥500




