点击下方专题链接即可查看本专题所有内容!
打点法是真正最原始但是最有效的办法,我们设计的时候你当然可以得到电子版的dwg格式水力图,现成的工作面型线和背面型线,当然可以按照旋转法或者阵列法的方案来对扭曲叶轮进行建模,但是如果你拿到的是扫描版的PDF,那么很遗憾,你可以根据二维图画出流道,但是你没得型线,要想获取型线,就得进行叶轮水力设计的逆运算,根据已知的R值、θ值就可以在流道中画出叶片工作面或者背面在不同角度上的型线,这不就又可以用上旋转法了?说的没错,但是过程很繁琐!所以有了打点法,直接根据数据表中的值得到R值、θ值和Z值,利用三维软件支持的接口导入创建型线就可以了!
问题1:抄图的时候流道怎么画?
看下面这个视频!
这个视频主要拿了一个蜗壳和叶轮的水力图的PDF版本,在CAD中还原出电子版本,这样就可以为所欲为啦!不得不说设计这些水力图的大神能力完全在线,用最少的尺寸表达了完整的流道,堪称“秀儿”,你比如说前盖板shroud,如果由2段圆弧组成,中间这段圆弧只需要告知圆心的高度和半径R就能确定唯一的圆弧,你能想明白吗,没想明白的话可以看上面的视频!

问题2:打点法需要的R、θ、Z值分别代表什么以及怎么获取数值?
首先需要明确的一点是中望不支持柱坐标点导入,所以R、θ、Z值需要先转换成笛卡尔坐标系下,相关操作可以查看下方文档:
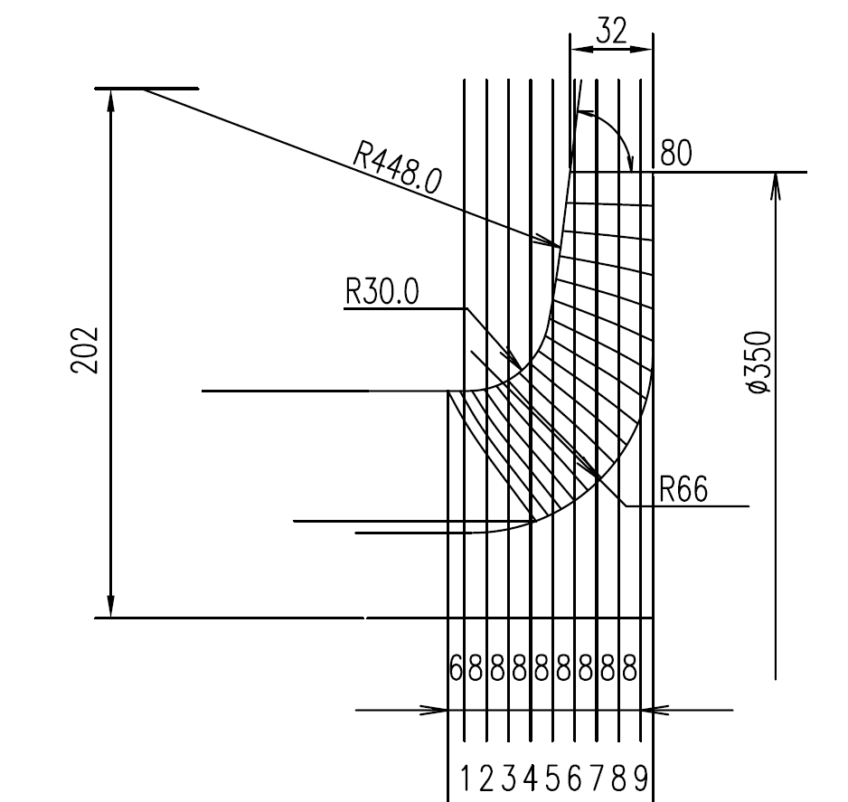
关于R值是怎么来的,且看下面这张工作面的数据表:


对应起来了,完全对应起来了,如果还没看懂的话,可以查看下方的视频讲解:
这个视频前半段讲的就是如何从水力图中获取R、θ、Z并在excel中做出处理,后续建模是在CREO中完成的,但是今天的案例是用中望3D实现,所以只看图纸讲解那部分就可以了!
问题3:中望3D怎么打点法画叶轮?
且看下回视频分解!

免责声明
泵小丫收集资源均来自网络
仅用于内部交流之用,如有需要请支持正版










不错